和记娱乐官网app股份:688160
咨询热线:400 700 5281
中文
相关产品阅读:你的下一台变频器,可以更节能
摘要:四象限变频器采用PWM控制的IGBT整流技术,对整流与能量回馈的双向控制,真正的四象限运行,可以完美解决抽油机存在能量倒灌的问题。本文介绍四象限变频器的工作原理以及和记娱乐官网appFV21系列四象限变频器在某油田的应用案例、经济效益分析。现场运行结果表明,FV21系列四象限变频器完全满足抽油机工艺要求,节能显著,是油田上真正的“绿色产品”。
各油田普遍采用游梁式抽油机作为主要的抽采设备,存在低产出、高能耗、大马拉小车的问题。近年来,随着电力电子技术的发展,变频技术由于具有节能、调冲次方便等优点在油田得到广泛的应用。在抽油机运行过程中,电动机时常运行在发电状态。
为了解决能量倒灌的问题,目前我国各油田抽油机主要采用两个方案:
1、变频加制动单元和变频加回馈单元。在母线上加制动单元及制动电阳,将能量直接消耗在制动电阻上,这不仅不利于节能,而且制动电阻散热和寿命问题很难解决;
2、母线上并联回馈单元,将电机工作在发电状态时产生的能量通过回馈单元反馈电网,实现变频器与电网之间反向流动,但解决不了能量由电网流向变频器时功率因数低,谐波电流大的问题。
针对以上情况,本文设计了四象限技术的方案,可克服上述两种方案的缺点。四象限变频技术解决了抽油机在系统不平衡时的再生能量处理问 题,具有四象限的运行功能,同时能提高节电效率, 减小电源的谐波污染,提高功率因数。
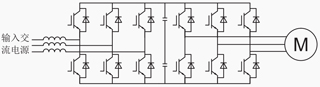
四象限变频器原理
采用三相脉宽调制(Pulse width modulation, PWM)整流代替不可控整流而构成的四象限变频器电路拓扑如图1所示,可以将负载机械能转变的电能回送给电网。

图1 四象限变频器电路拓扑结构
四象限变频器亮点
用高速度、高运算能力的整流控制单元DSP,产生6路高频的PWM脉冲控制整流侧的IGBT的开通和关断,IGBT的开通和关断与输入电抗器共同作用产生了与输入电压相位一致的正弦电流波形,这样就消除了二极管整流析产生的谐波,功率 因数接近于1,从而消除了对电网的谐波污染;
四象限变频技术整流侧采用IGBT功率模块,可以实现输入电网同电动机能量的双向流动,在系统不平衡时,可以将不平衡产生的势能回馈电网,从而大大降低对系统平衡的要求;
当电机工作在发电状态,电机产生的能量通过逆变侧的二极管回馈到直流母线,整流侧回馈控制启动,将直流逆变成交流,通过控制逆变电压相位和幅值将能量回馈到电网,达到节能的效果。
2020年4月,海南某采油厂作业区应用了10台37KW四象限变频柜,现场图如图2、图3所示。抽油机变频柜主要有四象限变频器、断路器、指示灯、接触器、电能表、防雷器、LCL电路等部分组成,其中四象限变频器是变频柜核心部件,选用的是和记娱乐官网appFV21系列四象限变频器。

图2 油田现场 图3 四象限变频柜
在此次油田现场测试的10台变频柜中,可以得到以下结论(每日数据见下表):
1、每日节电量为32—160度,节电率为30.01—72.85%;
2、平均每台每日节电量约为87.26度,节电量中位值为73.9度,节电率平均值约为47.93%,节电率中位值为43.45%;
3、以每天每台节电量87.26度计算,每天节约电费87.26 X 0.769 = 67.10元;每年节约成本67.10 X 365 = 24492.5元。

通过油田现场长时间的运行情况来看,和记娱乐官网appFV21系列四象限变频器完全能够满足抽油机工艺需求,不仅能够实现较好的节能效果,且能够改善提高抽油机设备功率因数,经济效益显著。
和记娱乐官网app是国内屈指可数的掌握四象限变频器技术的自动化公司,依托多年在自动化行业的应用经验,努力让中国制造成为全球顶级制造。
和记娱乐官网appFV21系列四象限变频器为高性能矢量变频器,广泛应用于油田抽油机、电机对拖平台、皮带输送机、起重机械、离心机等多个应用现场。
注:本文同时刊登在控制网()&《自动化博览》杂志2020年第6期“关注变频器”技术专题
上海和记娱乐官网app自动化股份有限公司
成立于1996年,聚焦行业的SMART SOLUTION
HMI | 低压伺服 | 运动控制系统 | PLC | 变频器| 智慧工厂解决方案
联系邮箱:sales@gushitouzi.com
微信名称:Kinco和记娱乐官网app(扫码关注)

销售/技术支持热线(周一至周六 9:00~20:00)
© Kinco和记娱乐官网app